JavaScript pare a fi dezactivat in browser-ul dumneavoastra.
Trebuie sa aveti JavaScript activat in browser-ul dumneavoastra pentru a putea utiliza acest site.
Totul pentru casa si gradina - Brico Depot
Cosul meu
Se incarca..
Cont
Se incarca...
Gradina si terasa
Scule si unelte
Climatizare, instalatii si incalzire
Amenajari interioare
Placi ceramice si parchet
Bucatarie si electrocasnice
Baie si sanitare
Constructii
Electrice
Feronerie
Corpuri iluminat interior si exterior
Televizoare, Audio, Video
Promotii
Resigilate
Finantare
Suport clienti
Magazine
Combined Shape
Produse
Gradina si terasa
Mobilier gradina si balcon
Seturi mobilier gradina
Sezlonguri
Umbrele si accesorii
Balansoare de gradina
Mese gradina si terasa
Scaune gradina si terasa
Banci, canapele, si fotolii gradina
Hamace
Pavilioane gradina
Copertine si prelate
Casute gradina
Lazi si dulapuri depozitare gradina
Perne de gradina
Covoare exterior
Pubele
Accesorii gradina
Terasa si pavaje
Pardoseli de exterior
Pavaje
Borduri
Dale
Piscine
Piscine gonflabile
Piscine cadru metalic
Accesorii piscine
Solutii intretinere apa piscina
Colaci si accesorii gonflabile inot
Pompe aer de umflat
Gratare de gradina
Gratare carbuni
Gratare gaz
Combustibili gratare
Accesorii gratare
Masini si utilaje gradina
Masini de tuns iarba
Drujbe
Motosape
Suflante si aspiratoare frunze
Scarificatoare si aeratoare
Trimmere
Motocoase
Foarfeci pentru gard viu
Mori cereale
Masini de despicat lemne
Tocatoare resturi vegetale
Freze de zapada
Accesorii trimmere si motocoase
Accesorii motosape si motocultoare
Uleiuri, aditivi si solutii utilaje de gradina
Unelte de mana pentru gradina
Unelte mici
Foarfeci
Lopeti
Cazmale
Furci
Maturi
Greble
Sapaligi
Topoare
Tarnacoape
Coada lemn
Compostoare gradina
Plante
Plante de exterior
Plante de interior
Plante artificiale
Seminte si bulbi
Pomi si arbusti fructiferi
Butasi
Fertilizanti
Substrat si pamant
Anti-daunatori
Protectie sol
Rasadnite
Accesorii plante
Irigatii
Pompe de irigatii
Hidrofoare
Vas expansiune si membrane
Motopompe
Accesorii pompe de apa si hidrofoare
Furtunuri
Derulatoare furtun
Aspersoare
Accesorii irigatii
Sere, solare si accesorii
Gazon si intretinere
Gazon artificial
Seminte gazon
Ingrasaminte gazon
Obiecte decorative
Ghivece
Jardiniere
Fantani de gradina
Mulci
Arcade si pergole
Pietre decorative
Suporturi ghivece
Farfurii ghivece
Suporturi si farfurii jardiniere
Aparate pentru stropit
Pulverizatoare
Atomizoare
Stropitori
Petshop
Caini
Pisici
Vinificatie
Recipiente
Prese
Accesorii vinificatie
Produse pentru animale
Ansambluri si jucarii de copii
Trambuline
Tobogane pentru copii
Jucarii pentru copii
Scule si unelte
Masini de curatat
Aparate de spalat cu presiune
Aspiratoare
Accesorii aspiratoare
Accesorii aparate de spalat
Generatoare si accesorii
Unelte electrice
Masini de gaurit si insurubat
Ciocane rotopercutoare si demolatoare
Polizoare
Fierastraie electrice
Pistoale de vopsit
Freze si rindele electrice
Slefuitoare
Suflante aer cald
Pistoale de lipit
Bancuri de lucru
Unelte multifunctionale
Acumulatori si incarcatoare unelte electrice
Accesorii unelte electrice
Unelte de mana
Surubelnite
Unelte instalatii
Unelte masurare
Ciocane
Clesti si patenti
Chei si tubulare
Capsatoare si capse
Filiere si tarozi
Menghine
Fierastraie manuale
Lame fierastraie
Cuttere
Creioane
Dalti
Drisca
Mistrii
Spacluri
Leviere
Smirghel
Pile
Compresoare aer si accesorii
Compresoare
Accesorii compresoare
Masini de taiat gresia si faianta
Sudura
Aparate de sudura
Accesorii sudura
Arzatoare si butelii
Depozitare
Rafturi
Dulapuri
Vestiare
Organizatoare
Centuri unelte
Cutii de scule
Cutii carton si ambalaje
Mese de lucru
Genti unelte
Cutii si lazi depozitare
Protectie si securitate
Imbracaminte
Incaltaminte
Stingatoare de incendiu
Casti de protectie
Ochelari de protectie
Masti de protectie
Manusi de protectie
Detectoare de incendiu
Manipulare si ridicare
Echipament ridicare
Transportoare
Auto
Odorizante
Becuri auto
Produse de curatat
Covorase si huse auto
Lubrifiere
Canistre
Stergatoare auto
Cricuri
Redresoare
Ulei motor
Accesorii auto
Remorci
Electrice auto
Solutii de curatat parbrizul
Climatizare, instalatii si incalzire
Aparate racire aer si accesorii
Aer conditionat
Ventilatoare
Ventilatoare baie
Usi de vizitare
Grile si accesorii
Accesorii aer conditionat
Aparate filtrare aer
Purificatoare
Umidificatoare
Dezumidificatoare
Accesorii si consumabile
Aparate incalzire si preparare apa menajera
Centrale termice
Pompe de caldura
Termostate centrala
Accesorii centrale
Calorifere termice
Accesorii calorifere
Boilere electrice
Boilere termoelectrice
Boilere pe lemne
Instanturi electrice
Instanturi pe gaz
Puffere
Accesorii boilere si instanturi
Sobe si seminee pe lemne
Cazane combustibil solid
Pompe recirculare
Vase expansiune
Accesorii sobe, seminee si cazane
Peleti, lemne si brichete de foc
Incalzire pardoseala
Dozatoare apa
Filtre apa si sisteme filtrare
Aparate incalzire aer
Calorifere electrice
Aeroterme
Convectoare
Seminee electrice
Panouri radiante
Incalzitoare terasa
Accesorii aparate incalzire
Alimentare apa
Tevi apa
Conectica apa
Cleme si coliere
Contoare apa si reductoare
Racorduri apa
Garnituri apa
Robineti apa
Alte accesorii apa
Evacuare apa
Conectica evacuare
Sifoane si ventile
Serpi desfundat
Solutii pentru desfundat
Fose septice
Alimentare gaz
Racorduri gaz
Regulatoare gaz
Accesorii gaz
Panouri solare si accesorii
Servicii instalare-montaj
Amenajari interioare
Usi
Usi interior
Usi intrare
Usi termopan exterior (PVC)
Accesorii usi
Etansare usi si geamuri
Ferestre
Ferestre PVC
Ferestre mansarda
Glafuri pentru ferestre
Plase tantari
Rolete ferestre
Rame ferestre mansarda
Ancadrament ferestre
Jaluzele
Geamuri sintetice
Accesorii ferestre
Vopsele
Vopsele lavabile
Vopsele decorative si renovare
Vopsele spray
Emailuri
Lacuri
Grunduri si amorse
Diluanti si decapanti
Pigmenti
Testere
Mobilier interior
Set dressing
Componente dressing
Garderobe si dulapuri
Birouri
Scaune si tabureti
Pantofare
Mese laptop si standuri
Accesorii mobilier interior
Acces interioare
Scari Interioare
Trepte si contra-trepte
Balustri si rame
Unelte zugravit
Pensule
Trafaleti
Folii de protectie
Bidinele
Accesorii vopsire si tencuire
Decorare pereti si tavane
Autocolant
Tapet si fototapet
Plafon decorativ
Baghete polistiren
Panouri riflate
Panouri tapitate
Textile ferestre si accesorii
Perdele
Draperii
Galerii
Sine
Accesorii pentru galerii si draperii
Textile si accesorii decorative
Perne decorative
Cuverturi
Lenjerii de pat
Fete de masa
Prosoape
Suport farfurii si naproane
Obiecte decorative interior
Ceasuri de perete si birou
Pardoseli
Placi mocheta si PVC
Mocheta
Linoleum
Covorase intrare
Covoare camera
Adezivi, benzi si izolatori
Adezivi interioare
Benzi
Spuma adeziva
Placi ceramice si parchet
Parchet
Parchet laminat
Parchet triplustratificat
Parchet masiv
Plinte parchet
Profile de trecere
Folii parchet
Placi ceramice si decorative
Gresie
Faianta
Placare murala
Plinte ceramice
Mozaic
Distantieri
Brauri ceramice
Adezivi placi ceramice
Chit de rosturi
Unelte si accesorii montaj
Bucatarie si electrocasnice
Mobila bucatarie
Bucatarii modulare
Set bucatarii
Mese de bucatarie
Scaune de bucatarie
Blaturi de bucatarie
Corpuri de bucatarie
Panouri laterale
Fronturi de usi
Panouri antistropi
Manere mobila
Accesorii mobilier
Electrocasnice
Aparate frigorifice
Masini de spalat vase
Masini de spalat rufe
Uscatoare rufe
Aragazuri
Cuptoare
Plite
Hote
Microunde
Aparate de bucatarie
Accesorii electrocasnice mici
Accesorii electrocasnice mari
Sanitare bucatarie
Baterii bucatarie
Chiuvete bucatarie
Accesorii sanitare bucatarie
Menaj
Produse de curatenie
Cosuri gunoi bucatarie
Saci menajeri
Accesorii de bucatarie
Baie si sanitare
Mobilier baie
Set mobilier baie
Dulapuri baie
Baze lavoar
Blaturi baie
Coloane baie
Oglinzi baie
Etajere baie
Rafturi baie
Accesorii mobilier baie
Sanitare
Lavoare si piedestale
Vase si seturi WC
Rezervoare WC
Urinale
Bideuri
Baterii baie
Mecanisme WC
Accesorii sanitare baie
Dusuri si accesorii
Set cabine dus
Cadite de dus
Usi de dus
Pereti de dus
Rigole de dus
Cazi
Cazi simple
Cazi hidromasaj
Cazi freestanding
Masti si accesorii
Paravane cada
Seturi si pare de dus
Pare de dus
Furtunuri de dus
Paneluri de dus
Seturi de dus
Accesorii de dus
Accesorii baie
Covorase de baie
Uscatoare de rufe
Capace WC
Perii WC si suporturi
Cosuri de gunoi baie
Savoniere si dispensere
Pahare baie
Suporturi de prosoape
Bare perdele dus
Cosuri de rufe
Perdele dus
Agatatoare baie
Alte accesorii baie
Mese de calcat
Constructii
Acoperisuri
Tigle
Tabla acoperis
Placi policarbonat si profile
Placi ondulate
Placi acrilice
Membrane bituminoase
Sindrile bituminoase
Folii izolatoare
Jgheaburi si burlane
Accesorii acoperisuri
Izolatii
Polistiren expandat
Polistiren extrudat
Vata de sticla
Vata bazaltica
Plase fibra si armare
Izolatii conducte
Spume izolare
Hidroizolatii
Adezivi polistiren si vata
Accesorii izolatie
Materiale de constructii
BCA
Caramizi
Ciment
Fier constructii
Mortare
Gleturi
Tencuiala
Sape
Aditivi beton si mortare
Boltari
Nisip si pietris
Var
Silicon
Etansanti
Folii izolatie
Lemn de constructii
Cherestea
Lambriuri
OSB
Pal
Panouri din lemn
Profile decorative din lemn
Garduri si porti
Garduri
Porti
Usi de garaj
Sisteme si accesorii porti
Sipci garduri
Unelte constructii
Betoniere
Roabe
Scari constructii
Galeti constructii
Sisteme de scurgere
Tevi canalizare si drenaj
Rigole canalizare
Pereti interiori
Placi gips carton
Adezivi gips carton
Accesorii gips carton
Electrice
Lanterne si baterii
Lanterne
Baterii si acumulatori
Incarcatoare
Prize, stechere si intrerupatoare
Prize
Intrerupatoare
Stechere
Rame intrerupatoare / prize
Variatoare tensiune
Sisteme de securitate
Sonerii
Senzori smart
Alarme
Camere supraveghere
Kituri video complete
Interfoane audio
Interfoane video
Retelistica
Elemente de conexiune
Doze
Prelungitoare si fise
Dulii
Benzi izolatoare
Coliere si cleme cablu
Cabluri si accesorii audio-video
Pini terminali
Tuburi termocontractabile
Derulatoare cu tamburi
Distribuitoare si splitere semnal
Mufe si adaptoare audio-video
Cabluri electrice
Cablu la metru
Cablu la rola
Accesorii fixare
Tuburi flexibile
Accesorii canale si tuburi
Canale cablu
Circuite de protectie
Blocuri diferentiale
Disjunctoare
Tablouri electrice
Aparate electrice de masura
Sigurante fuzibile
Paratrasnete si accesorii
Accesorii tablouri electrice
Stabilizatoare de tensiune si ups-uri
Relee protectie
Sonerii modulare
Feronerie
Suruburi, piulite, cuie
Carlige
Suruburi speciale
Cuie
Dibluri
Suruburi si tije
Piulite
Saibe
Capace suruburi
Lanturi, cabluri si sfori
Bride
Cabluri
Carabine
Lanturi
Sfoara
Chingi
Profile, console si polite
Bare plate
Polite
Console
Glise
Foi otel
Profile
Accesorii prindere
Fixari si imbinari
Coltare
Fixari speciale
Ancore
Coliere si cleme feronerie
Set montaj si fixare
Securitate
Seifuri
Accesorii biciclete
Zavoare
Cutii postale
Lacate
Casete chei
Casete valori
Semne si indicatoare
Accesorii si feronerie mobilier
Manere usa
Opritoare usi
Roti si rotile
Cifre si litere
Balamale
Broaste siguranta
Picioare mobilier
Protectii picioare mobilier
Patine
Cilindri
Vizoare
Butoane mobilier
Cuiere si agatatori
Corpuri iluminat interior si exterior
Iluminare interioara
Aplice interioare
Pendule si lustre
Plafoniere
Lampadare
Spoturi
Veioze
Benzi LED
Iluminare exterioara
Proiectoare
Lampi solare
Stalpi de iluminat
Aplice exterioare
Instalatii solare
Lampi exterioare
Lumini de veghe
Becuri si neoane
Becuri led
Becuri halogen
Becuri economice
Neoane
Becuri incandescente
Lampi de lucru
Accesorii si componente iluminare
Televizoare, Audio, Video
Televizoare
Sisteme audio
Boxe portabile
Suporturi TV si accesorii
Videoproiectoare
Promotii
Resigilate
Finantare
Rate online Credex
Suport clienti
Magazine
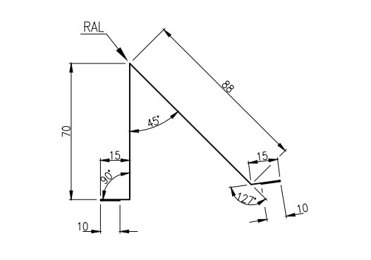
Opritor Zapada 8017 Mat 2M
Fii primul care evalueaza acest produs
36
,00
lei
Descriere
Specificatii
Recenzii
Intrebari
Compara
Adauga in cos
Constructii
/
Acoperisuri
/
Accesorii acoperisuri
/
Cod produs:
101460316
Opritor Zapada 8017 Mat 2M
Fii primul care evalueaza acest produs
1 din 2
36
,00
lei
18,00 lei/m.l.
in stoc
Adauga in cos
Verifica stocul din magazin, pentru ridicare imediata, gratuit.
alege un magazin favorit
Vezi stocul in magazine
Descriere
Specificatii
Recenzii
0
Intrebari
0
Compara
Aplicația Brico este acum disponibilă și pe:
Despre Brico Depot
Despre Brico Depot
Despre noi
Cariere
Branduri disponibile
Categorii produse
Tax free
Servicii
Suport clienti
Suport clienti
Articole suport
Returneaza produse
Reclamatii
Reteaua de magazine Brico Depot
Informatii legale
Informatii legale
Politica cookie-uri
Protectia datelor cu caracter personal
Securitatea datelor
Termeni si conditii
Date de identificare ale societatii
A.N.P.C.
A.N.P.C. - SAL
Contact
Contact
Telefon: 021 / 204 34 34
Formular de contact
Urmareste-ne
Urmareste-ne
Facebook
Instagram
LinkedIn
YouTube